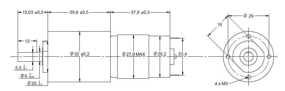
Brush-commutated planetary gear DC motor, direct current motor voltage of 24VDC , current 0.25A, rated speed 8.3rpm power 0.51W. These motors include a range of supply voltages between 2-36V and can, depending on the type, be supplied with or without gear and encoder. Existing gear types are planetary gears and spur gears. EMC filters can be obtained as capacitors or varistors. For some types, carbon brushes or metal brushes can also be selected. All motors can be customized per request. Common customizations are shaft dimensions, cable connections and cabling. Read more here about
customizations and please contact us for further information.