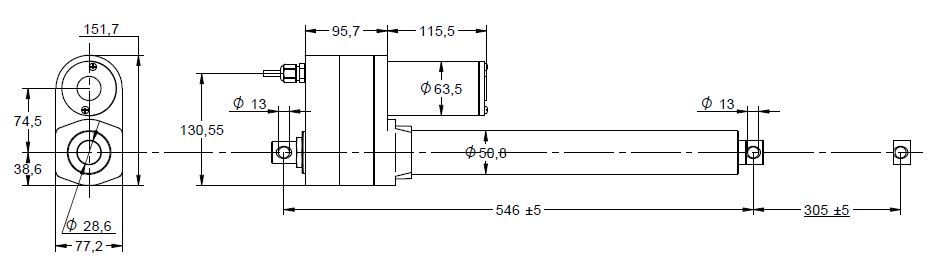
Linear actuator for direct current with voltage 12VDC force 6000N current 13A. These actuators include a range with supply voltages between 12-24V and can, depending on the type, be supplied with potentiometer and adjustable limit switches. Accessories for assembly are sold separately. All actuators can be customized per request. Common adjustments are stroke length, cable connections and cabling. Read more here about
customizations and please contact us for further information.